Index of /louispayen/pedagogie/activites-ge/terminale/tp-scooter-elect-2

 NameLast modifiedSizeDescription

 Parent Directory   -  
 SCOOTA.BAS 2023-06-05 15:41 1.5K 
 SCOOTA.ca4 2023-06-05 15:41 3.1K 
 WS_FTP.LOG 2023-06-05 15:41 5.4K 
 _vti_cnf/ 2023-06-05 15:53 -  
 fonction-mise-en-for..>2023-06-05 15:41 2.8K 
 interface-capteur-sc..>2023-06-05 15:41 4.9K 
 scooter2.bas 2023-06-05 15:41 1.3K 
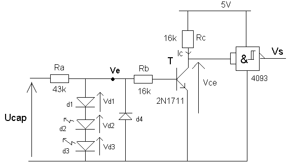
 simulation-ewb.gif 2023-06-05 15:41 11K 
 tp-scooter-2.doc 2023-06-05 15:41 146K 
 tp-scooter2-doc-repo..>2023-06-05 15:41 38K 
 uln2803-doc-mieux.gif 2023-06-05 15:41 15K