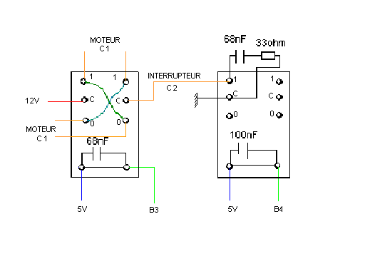
Schéma détaillés des relais.

 

relais 1                                         relais 2